Technische Beratung von Metallfedern

Unser Unternehmen bietet Ihnen eine umfassende und qualifizierte technische Beratung, um Sie bei der Herstellung von Spezialmetallfedern optimal zu unterstützen. Unser erfahrenes Team aus Ingenieuren und Fachexperten steht Ihnen zur Seite und teilt gerne sein umfangreiches Wissen und Fachwissen mit Ihnen.

Die qualifizierte technische Beratung ist einer unserer Schwerpunkte, denn wir möchten sicherstellen, dass Sie die bestmögliche Lösung für Ihre spezifischen Anforderungen erhalten. Dafür arbeiten wir eng mit Ihnen zusammen, um Ihre genauen Bedürfnisse zu verstehen und individuelle Lösungen zu entwickeln. Dabei berücksichtigen wir Aspekte wie gewünschte mechanische Eigenschaften, Einsatzbedingungen und Budgetvorgaben.

Unsere Experten helfen Ihnen bei der Auswahl des geeigneten Materials für Ihre Spezialmetallfedern. Wir berücksichtigen dabei Faktoren wie Festigkeit, Korrosionsbeständigkeit, Temperaturbeständigkeit und andere wichtige Parameter, um sicherzustellen, dass die Federn den Anforderungen Ihrer Anwendung gerecht werden.

Darüber hinaus unterstützen wir Sie bei der Gestaltung und Konstruktion Ihrer Spezialmetallfedern. Wir nutzen modernste Technologien und Simulationstools, um eine optimale Formgebung, Abmessung und Belastbarkeit zu ermitteln. Unsere Experten helfen Ihnen bei der Auswahl des richtigen Herstellungsverfahrens und beraten Sie hinsichtlich der besten Herstellungstechniken, um die gewünschten Ergebnisse zu erzielen.

Unsere technische Beratung ist auf Ihre individuellen Bedürfnisse zugeschnitten und wir nehmen uns die Zeit, Ihre Fragen zu beantworten und Sie umfassend zu informieren. Wir legen großen Wert darauf, dass Sie mit unseren Empfehlungen und Lösungen vollständig zufrieden sind.

Neben der technischen Beratung bieten wir Ihnen auch Unterstützung bei der Qualitätssicherung und Prüfung Ihrer Spezialmetallfedern. Wir führen umfangreiche Tests und Inspektionen durch, um sicherzustellen, dass die Federn den höchsten Qualitätsstandards entsprechen.

Vertrauen Sie auf unsere qualifizierte technische Beratung und lassen Sie uns gemeinsam die optimale Lösung für Ihre Spezialmetallfedern finden. Kontaktieren Sie uns, um Ihre Anforderungen zu besprechen und von unserer Expertise zu profitieren.



Technische Beratung

Technische Beratung



Ihr Ansprechpartner für Anfragen, Beratung und Projekte:

Christian Neumann
Tel: 0212 / 3824187-3
neumann@schmid-federn.de


Jetzt Angebot kostenlos anfordern: Tel.: 004921238241873
Jetzt Angebot per Mail kostenlos anfordern



Reiner Schmid Produktions GmbH Spezialist und Experte für die Herstellung, Fertigung, Produktion, Entwicklung und Musterfertigung von Schenkelfedern, Doppelschenkelfedern und Drahtbiegeteile.

Abstrakt:
Die Herstellung, Fertigung und Produktion von Schenkelfedern, Doppelschenkelfedern und Drahtbiegeteile wird in Kleinserien, Großserien und Variantenfertigung durchgeführt.
Die Berechnung, Entwicklung und Prüfung von Schenkelfedern, Doppelschenkelfedern und Drahtbiegeteile erfolgt vor jeder Fertigung.
Wir bieten Kunden einen umfassenden anwendungsbezogenen Service wie Beratung, Berechnung, Entwicklung und Musterfertigung für Schenkelfedern, Doppelschenkelfedern und Drahtbiegeteile.

Stichworte:
Schenkelfeder, Schenkelfedern, Doppelschenkelfeder, Doppelschenkelfedern, Drahtbiegeteil, Drahtbiegeteile

Die Schenkelfeder und Schenkelfedern | die Drehfeder und Drehfedern | die Torsionsfeder und die Torsionsfedern:
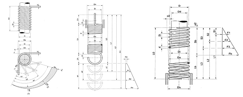
Zylindrische Schenkelfedern oder auch bezeichnet als Drehfedern, Torsionsfedern, Schraubendrehfedern sind weit verbreitete und vielseitige Maschinenelemente Bauteile in der Welt der Mechanik und der Federtechnik.
Der Aufbau einer zylindrischen Schenkelfeder besteht aus einem Draht, der in gleichmäßigen Windungen schraubenförmig um eine zentrale Achse gewickelt ist.

Schenkelfedern werden verwendet, um eine rotierende Bewegung, ein Drehmoment oder eine Kraft aufzunehmen, abzugeben und die Bewegung der Schenkel zu führen.
Schenkelfedern zeichnen sich durch die Fähigkeit aus Auslenkungen, Kräfte bzw. Drehmomente, um eine Drehachse aufzunehmen, abzugeben und die Drehbewegung zu führen.
Schenkelfedern besitzen einen meist zylindrischen Federkörper an dem zwei Schenkel angeordnet sind.
Die Schenkel können tangential, radial oder axial angeordnet sein, wobei jeder Schenkel eine unterschiedliche Anordnung aufweisen kann. Am Ende der beiden Schenkel können unterschiedliche Federendenformen angebracht sein z.B. gerader Schenkel, Hakenform, Ösenform rund oder eckig.
Die Begriffe "Schenkelfeder", "Drehfeder" und "Torsionsfeder" beziehen sich auf das gleiche Bauteil.
Weitere detaillierte Informationen zu Schenkelfedern, Drehfedern, Torsionsfedern - drehbelastbare gewundene Metallfeder ...

Die Doppelschenkelfeder und Doppelschenkelfedern:
Doppelschenkelfedern, Doppeldrehfedern und Doppeltorsionsfedern sind weit verbreitete und vielseitige Maschinenelemente in der Welt der Mechanik und der Federntechnik.
Der Aufbau einer Doppelschenkelfeder besteht aus einem Draht, der in gleichmäßigen Windungen schraubenförmig zu zwei getrennten Federnkörper gewickelt ist. Die beiden Federkörper sind durch einen Draht, der als Steg meist in U-Form ausgebildet ist, verbunden.
Die Schenkel bzw. Federenden der Doppelschenkelfedern sind meist an der Außenseite des jeweiligen Federkörpers angebracht. Die Kraft- bzw. Momenteneinleitung erfolgt entweder über den U-förmig ausgebildeten Steg oder über die Schenkel. Die Doppelschenkelfeder wird meist über einen Dorn, Achse oder Bolzen geführt.
Doppelschenkelfedern, Doppeldrehfedern und Doppeltorsionsfedern werden verwendet, um eine rotierende Bewegung, ein Drehmoment oder eine Kraft aufzunehmen oder abzugeben. Doppelschenkelfedern zeichnen sich durch die Fähigkeit aus Auslenkungen, Kräfte bzw. Drehmomente, um eine Drehachse aufzunehmen oder abzugeben. Die Schenkel können tangential, radial oder axial angeordnet sein, wobei jeder Schenkel eine unterschiedliche Anordnung aufweisen kann. Am Ende der beiden Schenkel können unterschiedliche Federendenformen angebracht sein z.B. gerader Schenkel, Hakenform, Ösenform rund oder eckig.
Weitere detaillierte Informationen zu Doppelschenkelfedern, Doppeldrehfedern und Doppeltorsionsfedern ...

Das Drahtbiegeteil, das Drahtformteil, die Drahtbiegeteile und die Drahtformteile:
In der praktischen Anwendung finden sich standardisierte Drahtbiegeteile und Drahtformteile wie Federringe, Sprengringe, Sicherungsringe, Klammern, Stifte etc. Eine Büroklammer oder eine Tackerklammer gehört auch zu den Drahtbiegeteile, Drahtformfedern und Biegeteile.
Jedoch werden in der praktischen Anwendung meistens nicht-standardisierte, individuelle, anwendungsspezifisch gestaltete Drahtbiegeteile, Drahtformfedern und Biegeteile verwendet.
Dabei steht die Funktion des Bauteils im Vordergrund: z.b. sichern, schützen, halten, positionieren, klemmen oder federn.
Drahtbiegeteile, Drahtformfedern und Biegeteile aus Federstahldraht sind wichtige Komponenten in verschiedenen Industriezweigen und Anwendungen. Drahtbiegeteile sind spezielle Maschinenelemente die meist federnde Eigenschaften besitzen.
Sie werden durch das Biegen von Draht in eine spezifische Form gebracht und bieten eine Vielzahl von Vorteilen in Bezug auf Flexibilität, Kosteneffizienz und Funktionalität.
Weitere detaillierte Informationen zu Drahtbiegeteile, Drahtformfedern und Biegeteile ...