Berechnung und Auslegung

Metallfedern sind essentielle Bauteile in einer Vielzahl von Anwendungen, von der Automobilindustrie über die Elektronik bis hin zur Medizintechnik. Damit Ihre Federn optimal funktionieren und die gewünschten Anforderungen erfüllen, ist eine sorgfältige Beratung, Auslegung und Berechnung unerlässlich. Genau dafür sind wir hier, um Ihnen professionelle Unterstützung anzubieten.

Unser erfahrenes Team aus Ingenieuren und Fachexperten verfügt über umfassendes Wissen und langjährige Erfahrung im Bereich der Metallfedern. Wir stehen Ihnen zur Seite, um Ihre individuellen Anforderungen zu verstehen und Ihnen maßgeschneiderte Lösungen anzubieten.

Unsere Leistungen umfassen:

Beratung: Wir nehmen uns die Zeit, Ihre spezifischen Anforderungen und Herausforderungen zu verstehen. Basierend auf unserem Fachwissen und unserer Erfahrung bieten wir Ihnen eine umfassende Beratung an. Wir stehen Ihnen zur Seite, um alle Fragen zu beantworten und Ihnen bei der Auswahl des richtigen Federtyps, der Werkstoffe und der Ausführung zu helfen.

Auslegung: Mit Hilfe modernster Software und Berechnungsmethoden führen wir präzise Auslegungen Ihrer Metallfedern durch. Wir berücksichtigen Faktoren wie Belastungsanforderungen, Umgebungseinflüsse, Lebensdauererwartungen und Sicherheitsfaktoren, um sicherzustellen, dass Ihre Federn optimal dimensioniert sind.

Berechnung: Unsere Experten setzen ihre Fachkenntnisse und Berechnungswerkzeuge ein, um die mechanischen Eigenschaften Ihrer Metallfedern zu analysieren. Wir bestimmen Parameter wie Federsteifigkeit, Vorspannkraft, Durchbiegung und Ermüdungsfestigkeit, um sicherzustellen, dass Ihre Federn den gewünschten Anforderungen standhalten.

Optimierung: Wir suchen kontinuierlich nach Möglichkeiten, Ihre Metallfedern zu optimieren und ihre Leistungsfähigkeit zu verbessern. Durch die Anwendung modernster Techniken und Methoden können wir das Design und die Werkstoffe optimieren, um Gewicht zu reduzieren, Kosten zu senken und die Effizienz zu steigern.

Unser Ziel ist es, Ihnen hochwertige Metallfedern zu liefern, die Ihren Anforderungen in Bezug auf Belastbarkeit, Langlebigkeit und Zuverlässigkeit gerecht werden. Wir legen großen Wert auf eine enge Zusammenarbeit mit unseren Kunden, um sicherzustellen, dass wir Ihre spezifischen Bedürfnisse und Anforderungen erfüllen.

Kontaktieren Sie uns und lassen Sie sich von unserem Fachwissen und unserer Erfahrung im Bereich der Metallfedern überzeugen. Wir stehen Ihnen gerne zur Verfügung und freuen uns darauf, Ihnen bei der Beratung, Auslegung und Berechnung Ihrer Metallfedern behilflich zu sein.



Berechnung

Berechnung



Ihr Ansprechpartner für Anfragen, Beratung und Projekte:

Christian Neumann
Tel: 0212 / 3824187-3
neumann@schmid-federn.de


Jetzt Angebot kostenlos anfordern: Tel.: 004921238241873
Jetzt Angebot per Mail kostenlos anfordern



Reiner Schmid Produktions GmbH Spezialist und Experte für die Herstellung, Fertigung, Produktion, Entwicklung und Musterfertigung von Schenkelfedern, Doppelschenkelfedern und Drahtbiegeteile.

Abstrakt:
Die Herstellung, Fertigung und Produktion von Schenkelfedern, Doppelschenkelfedern und Drahtbiegeteile wird in Kleinserien, Großserien und Variantenfertigung durchgeführt.
Die Berechnung, Entwicklung und Prüfung von Schenkelfedern, Doppelschenkelfedern und Drahtbiegeteile erfolgt vor jeder Fertigung.
Wir bieten Kunden einen umfassenden anwendungsbezogenen Service wie Beratung, Berechnung, Entwicklung und Musterfertigung für Schenkelfedern, Doppelschenkelfedern und Drahtbiegeteile.

Stichworte:
Schenkelfeder, Schenkelfedern, Doppelschenkelfeder, Doppelschenkelfedern, Drahtbiegeteil, Drahtbiegeteile

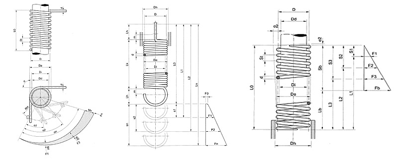
Die Schenkelfeder und Schenkelfedern | die Drehfeder und Drehfedern | die Torsionsfeder und die Torsionsfedern:
Zylindrische Schenkelfedern oder auch bezeichnet als Drehfedern, Torsionsfedern, Schraubendrehfedern sind weit verbreitete und vielseitige Maschinenelemente Bauteile in der Welt der Mechanik und der Federtechnik.
Der Aufbau einer zylindrischen Schenkelfeder besteht aus einem Draht, der in gleichmäßigen Windungen schraubenförmig um eine zentrale Achse gewickelt ist.

Schenkelfedern werden verwendet, um eine rotierende Bewegung, ein Drehmoment oder eine Kraft aufzunehmen, abzugeben und die Bewegung der Schenkel zu führen.
Schenkelfedern zeichnen sich durch die Fähigkeit aus Auslenkungen, Kräfte bzw. Drehmomente, um eine Drehachse aufzunehmen, abzugeben und die Drehbewegung zu führen.
Schenkelfedern besitzen einen meist zylindrischen Federkörper an dem zwei Schenkel angeordnet sind.
Die Schenkel können tangential, radial oder axial angeordnet sein, wobei jeder Schenkel eine unterschiedliche Anordnung aufweisen kann. Am Ende der beiden Schenkel können unterschiedliche Federendenformen angebracht sein z.B. gerader Schenkel, Hakenform, Ösenform rund oder eckig.
Die Begriffe "Schenkelfeder", "Drehfeder" und "Torsionsfeder" beziehen sich auf das gleiche Bauteil.
Weitere detaillierte Informationen zu Schenkelfedern, Drehfedern, Torsionsfedern - drehbelastbare gewundene Metallfeder ...

Die Doppelschenkelfeder und Doppelschenkelfedern:
Doppelschenkelfedern, Doppeldrehfedern und Doppeltorsionsfedern sind weit verbreitete und vielseitige Maschinenelemente in der Welt der Mechanik und der Federntechnik.
Der Aufbau einer Doppelschenkelfeder besteht aus einem Draht, der in gleichmäßigen Windungen schraubenförmig zu zwei getrennten Federnkörper gewickelt ist. Die beiden Federkörper sind durch einen Draht, der als Steg meist in U-Form ausgebildet ist, verbunden.
Die Schenkel bzw. Federenden der Doppelschenkelfedern sind meist an der Außenseite des jeweiligen Federkörpers angebracht. Die Kraft- bzw. Momenteneinleitung erfolgt entweder über den U-förmig ausgebildeten Steg oder über die Schenkel. Die Doppelschenkelfeder wird meist über einen Dorn, Achse oder Bolzen geführt.
Doppelschenkelfedern, Doppeldrehfedern und Doppeltorsionsfedern werden verwendet, um eine rotierende Bewegung, ein Drehmoment oder eine Kraft aufzunehmen oder abzugeben. Doppelschenkelfedern zeichnen sich durch die Fähigkeit aus Auslenkungen, Kräfte bzw. Drehmomente, um eine Drehachse aufzunehmen oder abzugeben. Die Schenkel können tangential, radial oder axial angeordnet sein, wobei jeder Schenkel eine unterschiedliche Anordnung aufweisen kann. Am Ende der beiden Schenkel können unterschiedliche Federendenformen angebracht sein z.B. gerader Schenkel, Hakenform, Ösenform rund oder eckig.
Weitere detaillierte Informationen zu Doppelschenkelfedern, Doppeldrehfedern und Doppeltorsionsfedern ...

Das Drahtbiegeteil, das Drahtformteil, die Drahtbiegeteile und die Drahtformteile:
In der praktischen Anwendung finden sich standardisierte Drahtbiegeteile und Drahtformteile wie Federringe, Sprengringe, Sicherungsringe, Klammern, Stifte etc. Eine Büroklammer oder eine Tackerklammer gehört auch zu den Drahtbiegeteile, Drahtformfedern und Biegeteile.
Jedoch werden in der praktischen Anwendung meistens nicht-standardisierte, individuelle, anwendungsspezifisch gestaltete Drahtbiegeteile, Drahtformfedern und Biegeteile verwendet.
Dabei steht die Funktion des Bauteils im Vordergrund: z.b. sichern, schützen, halten, positionieren, klemmen oder federn.
Drahtbiegeteile, Drahtformfedern und Biegeteile aus Federstahldraht sind wichtige Komponenten in verschiedenen Industriezweigen und Anwendungen. Drahtbiegeteile sind spezielle Maschinenelemente die meist federnde Eigenschaften besitzen.
Sie werden durch das Biegen von Draht in eine spezifische Form gebracht und bieten eine Vielzahl von Vorteilen in Bezug auf Flexibilität, Kosteneffizienz und Funktionalität.
Weitere detaillierte Informationen zu Drahtbiegeteile, Drahtformfedern und Biegeteile ...